![]() |
![]() |
ACTION: This clutch is a magnetic close type which engages on when coil is excited. The field is excited then and magnetizes rotor to engage for facing with friction force. When the current is interrupted, magnetizing is disapeared and armature returns back quickly with release spring and then clutch is rereased. Clutch torque can be easely controlled by adjusting current. |
| MERITS: |
| 1Strong structure. |
| 2.Easy maintenance and installation. |
| 3.Quick response. |
| 4.Large heat dissipation. |
| 5.Small residual torque. |
| Major characteristics. |
|
characteristics
|
model No.
|
||||||||
|
30
|
40
|
50
|
60
|
80
|
100
|
120
|
|||
|
7
|
20
|
40
|
60
|
150
|
280
|
550
|
||
|
90
|
90
|
90
|
90
|
90
|
90
|
90
|
||
|
874
|
794
|
481
|
426
|
229
|
210
|
136
|
||
|
0.10
|
0.11
|
0.19
|
0.21
|
0.39
|
0.43
|
0.66
|
||
|
52
|
70
|
139
|
327
|
471
|
716
|
1074
|
||
|
240
|
470
|
610
|
1150
|
1610
|
1990
|
3660
|
||
|
1800
|
||||||||
|
1.2
|
3.4
|
3.8
|
6.7
|
11.6
|
17.8
|
32.2
|
||
| Note) Please confirm us for model No. 20, 150, 200. The initial torque is about 60% of the rated. |
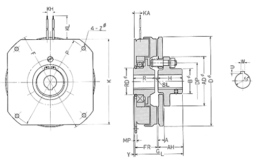
| Major dimension. |
|
model No.
HMC |
Dimension
|
Z
|
max hole dia
|
|||||||||
|
DƒÓ
|
G
|
H
|
K
|
L
|
P
|
SL
|
SH7
|
WF7
|
*
|
**
|
||
|
30
|
81
|
0.5
|
20
|
75
|
68
|
86
|
14
|
12
|
4
|
4.5
|
18
|
---
|
|
40
|
116
|
0.5
|
32
|
108
|
90
|
124
|
9.5
|
20
|
5
|
6.6
|
28
|
---
|
|
50
|
137
|
0.5
|
35
|
127
|
90
|
150
|
12.5
|
22
|
7
|
6.6
|
28
|
25
|
|
60
|
170
|
0.5
|
46
|
160
|
99.5
|
190
|
11
|
28
|
7
|
6.6
|
40
|
35
|
|
80
|
218
|
0.7
|
59
|
208
|
116
|
230
|
7.7
|
32
|
10
|
9
|
35
|
35
|
|
100
|
267
|
0.7
|
73
|
---
|
138
|
156
|
4.7
|
42
|
12
|
9
|
55
|
50
|
|
120
|
325
|
1
|
74
|
---
|
141
|
182
|
6
|
50
|
12
|
9
|
60
|
60
|
| @ |
(* armature hub,**rotor hub )
|
| Illustration. |
![]() |
| Please specify followings on your order. |
| 1. | Brake name. Type and model No. | @ | |
| 2. | Brake torque. |
Nm
|
|
| 3. | Diameter of shaft hole. |
ƒÓ
|
|
| 4. | Input voltage. |
(of power unit)@@AC/DC
|
V
|
| 5. | Power source unit. |
Model No.
|
V
|
| 6. | Former mfg.No. (for replacement) | No.@@@(ex; EY-1234) | |
| 7. | Special spec. | @ | |
| 8. | Reqired pieces and delivery date. |
Piece.
|
Date. |
| 9. | Your name and company name. |
@
|
|
| 10. | Your correspondence No. | Tel/Fax/E-mailF | |