Sumi Machinery Tel: 021-51699529 Fax:021-51699529 E:sumi@sumi.cn Osaki EW

clutch brake clutch&brake esb vnb stc sr slipring ort nab hd frc dmb ccb power module
Introduction of slip ring:
ACTION:

Slipring supplies or receives electric current for a rotating machines continuausly. Slip ring is used for the machines of iron works, other metal works, printing works, paper works, plastic forming works, film works, instrument or communication facility works and other general industries.



Merit:
Low contact resistance: F As high grade special materials for brush and polar ring, and double brushes in each pole are used, the most important factor of contact resistance is low and stable.
Combination free: F Order made desigin in addition to standard models, makes free to combine differrent slip rings for power supplying, heating, instrument, signal etc.
Low wear polar ring: F As a special forging mtal is used, the wear of polar rings is low.
Free design: F Individual design is available for customer order for voltage, current, No.05 poles, noize level and operation circumstance.
Careful after saling service: F Careful after saling service based on our long years experience is available.


Specifiction of standard products:
Voltage: F DC 1V `100V
AC 100V `440V
Current: F 1A `100A
Deviation of ring on running: F less } 0.1 mm
Diameter of shaft hole: F Listed below.
Dimmension: Shown bellow.(odd number is also available and please see illustration for the marks ).

Specification of indivisual designed products.:
Current: F Muximum 20,000A (for power circuit).
Number of poles: F Maximum 200 poles (for signal circuit).


Dimension @
current
No.of
poles
La
Lb
Lc
Ld
10A type
2
32
20
34
62
4
96
86
62
90
6
124
114
90
118
8
152
142
118
146
10
211
191
146
174
12
239
219
174
202
--
--
--
--
--
--
--
--
--
--
40A type
2
108
--
65
100
4
168
--
125
160
6
228
--
185
220
8
288
--
245
280
100A type
2
119
--
75
110
4
189
--
145
180
6
259
--
215
250
8
329
--
285
320
ƒÓH
ƒÓA
ƒÓB
ƒÓC
`30
90
85
50
`40
100
95
60
`60
125
120
82
`80
150
145
110
`100
170
165
130
`120
190
185
150
`140
210
205
170
`160
230
225
190
--
--
--
--
--
--
--
--
40`60
135
130
82
`80
155
150
100
`100
175
170
120
`120
195
190
140
`140
215
210
160
`160
235
230
180


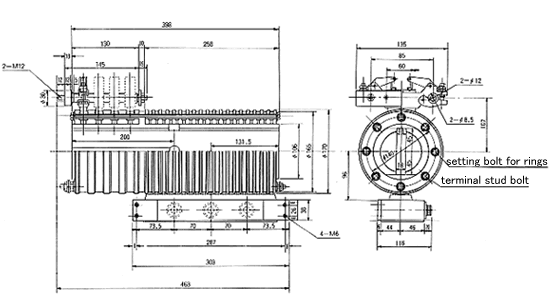
Illustration for 10A standard tyoe.
@(Brush shape is different for 40A and 100A type )

The dimension shown above are for 10A 10`12 poles as an example.
Please refer us for other rated current.



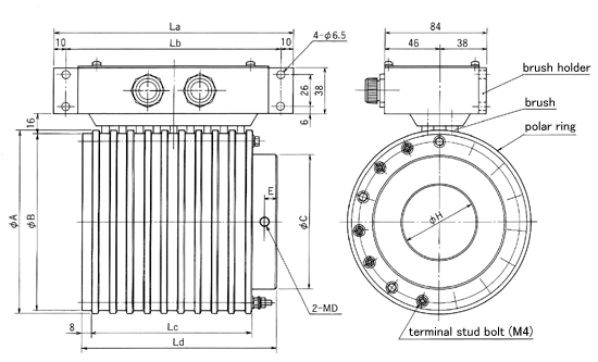
Illustration for indivisual designed.
(combination of 10A and 40A for example )


Please specify followings on your order.
1. Number of poles: @@
2. Voltage:
AC/DC
V
3. current:
A
4. Usage:
power/signal
5. Shape: outer dia
shaft hole dia
length
6. Special requirement:  @
7. Quantity, Delivery @
8. Your company name, your name.
@
9. Your correspondence No. Tel/Fax/E-mailF