![]() |
![]() |
ACTION: On exciting the coil. Armature is attracted to field byond the spring force and makes a gap between inner-disc and outer-disc. Then the brake is released. Armature is released by interruption of coil current and pushes inner-disk and outer-disc to end plate by the spring force, then the brake is actuated by friction. This brake is closed any time when the coil is not excited. |
| MERITS: |
| E | Quick response structure. | Quick and correct action. |
| E | Safety spring close type. | Braking on power interruption. |
| E | Large heat dissipation. | Fits for heavy load and high frequency. |
| E | Compact and right. | Easy to install on motors. Power supply unit is small. |
| E | Easy for adjyustment. | One of our long seller products. |
| Major characteristics. |
| characteristics |
model No.
|
|||||||
|
32
|
34
|
42
|
44
|
52
|
54
|
|||
|
2
|
4
|
7.5
|
15
|
22
|
40
|
||
|
*200
|
*200
|
90
|
90
|
90
|
90
|
||
|
346
|
346
|
383
|
383
|
237
|
237
|
||
|
195
|
195
|
240
|
240
|
380
|
380
|
||
|
41
|
82
|
98
|
123
|
123
|
123
|
||
|
29
|
29
|
57
|
57
|
40
|
40
|
||
|
1800
|
|||||||
| Mechanical life |
1,000,000
|
|||||||
|
1.3
|
1.4
|
3.0
|
3.2
|
4.9
|
5.3
|
||
| Suitable power unit |
HD-10S
|
HD-106R
|
||||||
|
-10`+40 | |||||||
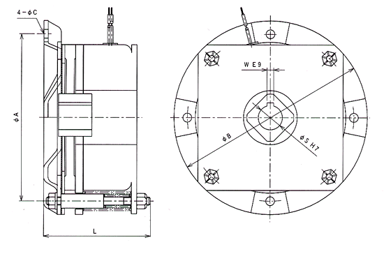
| Major dimensions |
|
model No.
NAB |
dimension
|
|||||
|
ΣA
|
L
|
ΣB
|
SH7
|
WE9
|
ΣC
|
|
|
32
|
90
|
63.5
|
105
|
12
|
4
|
5.5
|
|
34
|
90
|
71
|
105
|
14
|
5
|
5.5
|
|
42
|
124
|
80
|
144
|
18
|
5
|
6.5
|
|
44
|
124
|
90
|
144
|
22
|
7
|
6.5
|
|
52
|
150
|
89.5
|
170
|
22
|
7
|
9
|
|
54
|
150
|
102
|
170
|
28
|
7
|
9
|
| Illustration. [holes for mounting] |
![]() |
| Please specify followings on your order. |
| 1. | Brake name. Type and model No. | @ | |
| 2. | Brake torque. |
Nm
|
|
| 3. | Diameter of shaft hole. |
Σ
|
|
| 4. | Input voltage. |
(of power unit)@@AC/DC
|
V
|
| 5. | Power source unit. |
Model No.
|
V
|
| 6. | Former mfg.No. (for replacement) | No. (for replacement) | |
| 7. | Special spec. | @ | |
| 8. | Reqired pieces and delivery date. |
Piece.
|
Date. |
| 9. | Your name and company name. |
@
|
|
| 10. | Your correspondence No. | Tel/Fax/E-mailF | |