![]() |
![]() |
![]() |
|
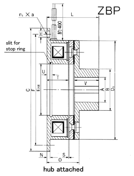
ZBP disc spring type electromagnetic
brake
|
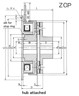
ZCP disc spring type electromagnetic
clutch
|
| MERITS: |
| E | Low noize and no back rush with disc spring. |
| E | Compact and flat shape. Easy and free to assemble. |
| E | Quick respond action and reliable. Long life. |
| Dimension: | Please refer to us. |
| characteristics and rating |
model No.
|
|||||||
|
05
|
06
|
08
|
10
|
12
|
16
|
|||
|
2.5
|
5
|
10
|
20
|
40
|
80
|
||
| Standard hole dia of ƒÓA¤ƒÓA1¤ƒÓA2@H7 |
10
|
10
|
17
|
29
|
25
|
30
|
||
| Max hole dia of ƒÓA¤ƒÓA1¤ƒÓA2@H7 |
15
|
15
|
20
|
25
|
30
|
40
|
||
|
24/90
|
©
|
©
|
©
|
©
|
©
|
||
|
10
|
11
|
15
|
20
|
25
|
35
|
||
|
65
|
80
|
100
|
125
|
150
|
190
|
||
| Length of L1 (ZBP) |
37.2
|
37
|
44.5
|
53
|
61
|
73
|
||
| Length of L1 (ZCP) |
43.3
|
43
|
51
|
61
|
70.5
|
84.5
|
||
| Illustration |
![]() |
|
| Please specify followings on your order. |
| 1. | Brake name. Type and model No. | @ | |
| 2. | Brake torque. |
Nm
|
|
| 3. | Diameter of shaft hole. |
ƒÓ
|
|
| 4. | Input voltage. |
(of power unit)@@AC/DC
|
V
|
| 5. | Power source unit. |
Model No.
|
V
|
| 6. | Former mfg.No. (for replacement) | No.@@@(ex; EY-1234) | |
| 7. | Special spec. | @ | |
| 8. | Reqired pieces and delivery date. |
Piece.
|
Date. |
| 9. | Your name and company name. |
@
|
|
| 10. | Your correspondence No. | Tel/Fax/E-mailF | |